汽車制造
產品概述
product description
查看大圖
HSR-JR605工業機器人
JR六軸機器人系列HSR-JR605是華數小型多用途機器人,結構緊湊、體積小、重量輕、關節速度高、動態響應快,荷重5kg,具有低投資、高產出優勢。滿足快速拾放,具有極大的靈活性。在保持六軸機器人的通用性情況下其結構緊湊,重復定位精度高,響應快。該六軸機器人可高效完成上下料、分揀、裝配、打磨以及其他加工應用的工作任務。
使用說明下載產品特點
Features1.運轉速度快。最大范圍動作,一個循環在8s以內。
2.重復定位精度高。重復定位精度達到±0.02mm,可適用于高精度作業。
3.成本低廉。核心零部件自主生產,有效控制成本。
4.輕量化。整機重量控制在55kg以內,搬運安裝方便。
5.小型化。占地空間小,適合于空間狹小的場合。
產品參數
Product parameters| 工業機器人 | HSR-JR605 | HSR-JR605L | |
| 自由度 | 6 | 6 | |
| 額定負載 | 5Kg | 5Kg | |
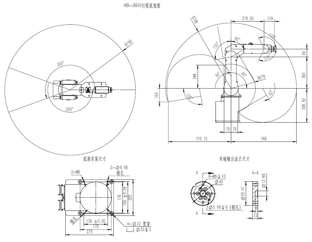
| 最大工作半徑 | 746mm | 854mm | |
| 重復定位精度 | ±0.02mm | ±0.03mm | |
| 運動范圍 | J1 | ±200° | |
| J2 | -180°/0° | ||
| J3 | +80°/ ? +240° | ||
| J4 | ±180° | ||
| J5 | ±115° | ||
| J6 | ±360° | ||
| 額定速度 | J1 | 222°/s,3.87rad/s | |
| J2 | 180°/s,3.14ad/s | ||
| J3 | 225°/s,3.93rad/s | ||
| J4 | 235°/s,4.10 ? rad/s | ||
| J5 | 222°/s,3.87rad/s | ||
| J6 | 360°/s,6.28rad/s | ||
| 最高速度 | J1 | 370°/s,6.46 ? rad/s | |
| J2 | 300°/s,5.24 ? rad/s | ||
| J3 | 375°/s,6.54rad/s | ||
| J4 | 392°/s,6.84 ? rad/s | ||
| J5 | 370°/s,6.46 ? rad/s | ||
| J6 | 600°/s,10.47 ? rad/s | ||
| 容許慣性矩 | J6 | 0.1kg㎡ | |
| J5 | 0.36 ? kg㎡ | 0.3 ? kg㎡ | |
| J4 | 0.5 ? kg㎡ | ||
| 容許扭矩 | J6 | 8 N·m | |
| J5 | 16 ? N·m | 15 ? N·m | |
| J4 | 18 ? N·m | ||
| 適用環境 | 溫度 | 0~45° | |
| 濕度 | 20%~80% | ||
| 其他 | 避免與易燃易爆或腐蝕性氣體、液體接觸,遠離電子噪聲源(等離子) | ||
| 示教器線纜長度 | 8米 | 8米 | |
| 本體-柜體連接線長度 | 3米 | 3米 | |
| I/O參數 | 數字量:32輸入,31輸出(控制柜故障指示燈輸出占用1) | 數字量:32輸入,31輸出(控制柜故障指示燈輸出占用1) | |
| 本體預留信號線 | 12位(航空插頭連接) | 12位(航空插頭連接) | |
| 預留氣路 | 1*Φ6 | 1*Φ6 | |
| 電源容量 | 1.56kVA | ||
| 額定功率 | 1.25kW | ||
| 額定電壓 | 單相AC220V ? 50HZ | ||
| 額定電流 | 6.5A | ||
| 本體防護等級 | IP54 | ||
| 安裝方式 | 地面安裝、倒掛安裝、側掛安裝 | ||
| 本體重量 | 55.5kg | 57kg | |
| 控制柜防護等級 | IP53 | ||
| 控制柜尺寸 | 500(寬)×270(厚)×530(高)-可立可臥 | ||
| 控制柜重量 | 38KG | ||
產品尺寸
Product Size